
美彩国际应用领域
◆ 电信 ◆ 数据互换 ◆ 电力系统 ◆ 计算机系统
产品性能
|
输入电压 Vdc |
4.5-14 |
|
遥控特性 |
遥控端悬空或接+Vin,正常工作 |
|
遥控端接-Vin,禁止输出 |
|
|
输出电压精度 % |
±2 |
|
电压调节 V |
1-5.5 (满载) |
|
远传补偿 V |
0.5 |
|
负载调整率 % |
±0.5 |
|
电压调整率 % |
±0.5 |
|
启动时间 ms |
1 |
|
动态响应 (过冲/恢复时间) |
±4%Vo/200us |
|
纹波/噪声(mV) |
100 |
|
环境温度 |
-40℃ - +85℃ (辅助散热) |
|
开关频率Hz |
600 |
|
短路保护 |
长期短路自恢复 |
|
隔离耐压 V |
非隔离 |
|
MTBF |
5×106 |
产品选型
|
型号 |
输入电压Vdc |
输出电压Vdc |
输出电流A |
效率% |
容性能力UF |
|
DIP1210 |
4.5-14 |
1-5.5 |
10 |
92 |
20000 |
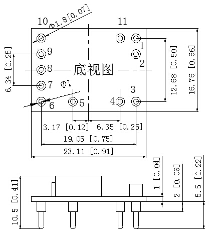
外型尺寸

调节电压标准阻值(KΩ)列表
(推荐采用1%或0.5%的精密电阻)
|
输出电压(Vdc) |
调节电阻(KΩ) |
|
5.0 |
0.169 |
|
3.3 |
1.21 |
|
2.5 |
2.37 |
|
1.8 |
4.75 |
|
1.5 |
6.98 |
|
1.2 |
12.1 |
|
1 |
20.5 |
|
0.7 |
681 |
管脚定义
|
管脚 |
1 |
2 |
3 |
4 |
|
功能 |
NC |
Vin |
GND |
GND |
|
描述 |
空管脚 |
输入正 |
接地端 |
接地端 |
|
管脚 |
5 |
6 |
7 |
8 |
|
功能 |
Vo |
+S |
-S |
TRIM |
|
描述 |
输出正 |
正补偿 |
负补偿 |
输出调节端 |
|
管脚 |
9 |
10 |
11 |
|
|
功能 |
NC |
NC |
CNT |
美彩国际 |
|
描述 |
空管脚 |
空管脚 |
遥控端 |
|
北京稳固得设计制造AC/DC、DC/DC、DC/AC电源模块,模块化开关电源变换器,工程师拥有多年从事电力电子开发经验。模块电源产品在技术及品质上具备较强的竞争优势,广泛应用于邮电通信设备、基站及用户电源系统、监控系统、铁路信号、电力系统、医疗设备、仪器仪表、工业自动化控制及航空航天、军工等领域。 公司通过了ISO 9001-2008版国际质量体系认证以及GJ B军工质量体系认证。主流标准系列产品通过了CE、TUV、UL、CB、ROHS等测试认证。请拨打400-800-9005电话,我们将尽快安排专业的人员联系您。