
美彩国际应用领域
◆ 电信 ◆ 数据互换 ◆ 电力系统 ◆ 计算机系统
产品性能
|
输入电压 Vdc |
3-5.5 |
|
遥控特性 (SIP05) |
遥控端接+Vin,禁止输出 |
|
遥控端悬空或接-Vin,正常工作 |
|
|
遥控特性 (SIP05*) |
遥控端接+Vin,正常工作 |
|
遥控端悬空或接-Vin,禁止输出 |
|
|
输出电压精度 % |
±2 |
|
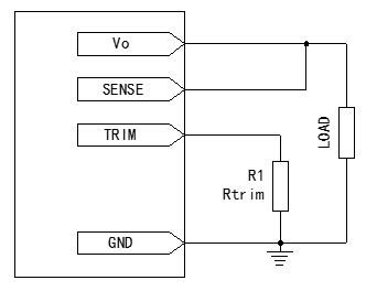
电压调节 V |
0.75-3.63 (满载) |
|
远传补偿 V |
0.5 |
|
负载调整率 % |
±0.5 |
|
±1.0 |
|
|
电压调整率 % |
±1.5 (满载,仅限SIP05) |
|
启动时间 ms |
10 |
|
动态响应 (过冲/恢复时间) |
±4%Vo/50us |
|
纹波/噪声(mV) |
120 |
|
环境温度 |
-40℃ - +85℃ (辅助散热) |
|
开关频率KHz |
300 |
|
短路保护 |
长期短路自恢复 |
|
隔离耐压 |
非隔离 |
|
MTBF |
5×106 |
产品选型
|
型号 |
输入电压Vdc |
输出电压Vdc |
输出电流A |
效率% |
容性能力UF |
|
SIP0506 |
3-5.5 |
0.8-3.65 |
6 |
90 @2.5V/6A |
5000 (ESR≥10 mΩ) 1000 (ESR≥1 mΩ) |
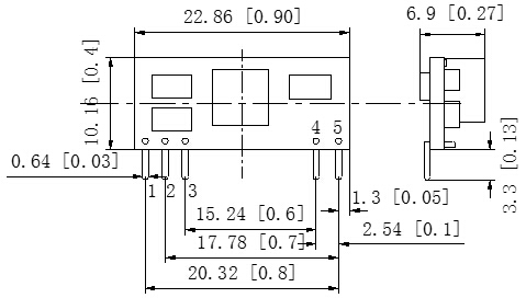
外型尺寸

管脚定义
|
管脚 |
1 |
2 |
3 |
4 |
5 |
|
功能 |
+Vo |
TRIM |
GND |
+Vin |
CNT |
|
描述 |
输出正 |
输出调节端 |
接地端 |
输入正 |
遥控端 |

调节电压标准阻值(KΩ)列表
(推荐采用1%或0.5%的精密电阻)
|
输出电压 |
输入3~5.5V |
输入10~14V |
|
0.7525 |
OPEN |
OPEN |
|
1.0 |
80.6 |
41.2 |
|
1.2 |
42.2 |
22.6 |
|
1.5 |
23.2 |
13.0 |
|
1.8 |
15 |
9.09 |
|
2.0 |
11.8 |
7.32 |
|
2.5 |
6.98 |
4.99 |
|
3.3 |
3.16 |
3.09 |
|
5.0 |
- |
1.21 |
调节电压标准阻值(KΩ)列表(推荐采用1%或0.5%的精密电阻)
美彩国际 北京稳固得设计制造AC/DC、DC/DC、DC/AC电源模块,模块化开关电源变换器,工程师拥有多年从事电力电子开发经验。模块电源产品在技术及品质上具备较强的竞争优势,广泛应用于邮电通信设备、基站及用户电源系统、监控系统、铁路信号、电力系统、医疗设备、仪器仪表、工业自动化控制及航空航天、军工等领域。 公司通过了ISO 9001-2008版国际质量体系认证以及GJ B军工质量体系认证。主流标准系列产品通过了CE、TUV、UL、CB、ROHS等测试认证。请拨打400-800-9005电话,我们将尽快安排专业的人员联系您。