
美彩国际应用领域
◆ 军事装备 ◆ 通信系统 ◆ 船舰、车载系统 ◆计算机系统
产品性能
|
输入电压 Vdc |
9-36 |
|
遥控特性 (正逻辑) |
遥控端接-Vin或低电平,禁止输出 |
|
遥控端悬空或接高电平,正常工作 |
|
|
遥控特性 (负逻辑,尾缀/P) |
遥控端接-Vin或低电平,正常工作 |
|
遥控端悬空或接高电平,禁止输出 |
|
|
输出电压精度 % |
±1 |
|
电压调节 %Vo |
±10 |
|
负载调整率 % |
±0.5 |
|
电压调整率 % |
±0.2 |
|
动态响应 (过冲/恢复时间) |
±4%Vo/400us |
|
纹波/噪声(mV) |
Vo≤5Vdc:50 |
|
5Vdc<Vo≤24Vdc:150 |
|
|
Vo>24Vdc:300 |
|
|
工作壳温 |
-40℃ - +100℃ |
|
开关频率KHz |
300 |
|
短路保护 |
长期短路自恢复 |
|
隔离耐压 |
输入-输出:1500Vdc |
|
输入-壳:1050Vdc |
|
|
输出-壳:500Vdc |
|
|
MTBF |
3×105 |
|
安规要求 |
GB 9254-2008 |
产品选型
|
型号 |
输入电压 Vdc |
输出电压 Vdc |
输出电流 A |
效率 % |
容性能力 UF |
|
WDFJ200-24S12 |
18-36 W:9-36 |
12 |
16.7 |
89 |
2200 |
|
WDFJ200-24S15 |
15 |
13.3 |
89 |
2200 |
|
|
WDFJ200-24S24 |
24 |
8.3 |
90 |
1000 |
|
|
WDFJ200-24S28 |
28 |
7.1 |
90 |
1000 |
|
|
WDFJ300-24S12 |
18-36 |
12 |
25 |
88 |
2200 |
|
WDFJ300-24S15 |
15 |
20 |
88 |
2200 |
|
|
WDFJ300-24S24 |
24 |
12.5 |
89 |
1000 |
|
|
WDFJ300-24S28 |
28 |
11 |
89 |
1000 |
|
|
WDFJ400-24S12 |
12 |
33.3 |
88 |
2200 |
|
|
WDFJ400-24S15 |
15 |
26.7 |
88 |
2200 |
|
|
WDFJ400-24S24 |
24 |
16.7 |
89 |
1000 |
|
|
WDFJ400-24S28 |
28 |
14.3 |
89 |
1000 |
注1:除特殊指定外,所有参数测试条件为:标称输入电压、纯阻性标称负载和25°C室温环境。
注2:此系列有两倍电压输入和四倍电压输入可选,尾缀加W表示宽压输入。
注3:输入电压9-□Vdc,启动电压是9.5-□Vdc。
注4:满足安规要求需要外围电路,详见产品单页说明书。
|
军用常规产品命名规则 |
||
|
例如:WD25-24S12 G注① A注② |
||
|
质量等级注① |
||
|
D级 |
工业级筛选 |
|
|
G级 |
普通军级产品 |
|
|
H级 |
军级产品 |
|
|
K级 |
航天级产品 |
|
|
温度等级注② |
工作壳温℃ |
工作环温℃ |
|
A级 |
-40 - +95 |
-40 - +55 |
|
B级 |
-40 - +95 |
-40 - +70 |
|
C级 |
-55 - +95 |
-55 - +70 |
|
D级 |
-40 - +105 |
-40 - +85 |
|
E级 |
-55 - +105 |
-55 - +85 |
|
F级 |
为客户特殊定制温度范围 |
|
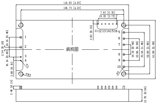
外型尺寸

A封装

B封装
管脚定义
|
管脚 |
1 |
2 |
3 |
|
功能 |
-Vin |
CASE |
CNT |
|
描述 |
输入负 |
接壳端 |
遥控端 |
|
管脚 |
4 |
5 |
6 |
|
功能 |
+Vin |
+Vo |
+S |
|
描述 |
输入正 |
输出正 |
正补偿 |
|
管脚 |
7 |
8 |
9 |
|
功能 |
TRIM |
-S |
-Vo |
|
描述 |
输出调节端 |
负补偿 |
输出负 |
A封装
|
管脚 |
1 |
2 |
3 |
|
功能 |
-Vin |
+Vin |
-CNT |
|
描述 |
输入负 |
输入正 |
遥控负 |
|
管脚 |
4 |
5、6、7 |
8、9、10 |
|
功能 |
+CNT |
GND |
+Vo |
|
描述 |
遥控正 |
输出地 |
输出正 |
|
管脚 |
11、12、13 |
14 |
15 |
|
功能 |
NC |
TRIM |
+S |
|
描述 |
空管脚 |
输出调节端 |
正补偿 |
|
管脚 |
16 |
|
美彩国际 |
|
功能 |
-S |
美彩国际 |
美彩国际 |
|
描述 |
负补偿 |
|
美彩国际 |
B封装
北京稳固得设计制造AC/DC、DC/DC、DC/AC电源模块,模块化开关电源变换器,工程师拥有多年从事电力电子开发经验。模块电源产品在技术及品质上具备较强的竞争优势,广泛应用于邮电通信设备、基站及用户电源系统、监控系统、铁路信号、电力系统、医疗设备、仪器仪表、工业自动化控制及航空航天、军工等领域。 公司通过了ISO 9001-2008版国际质量体系认证以及GJ B军工质量体系认证。主流标准系列产品通过了CE、TUV、UL、CB、ROHS等测试认证。请拨打400-800-9005电话,我们将尽快安排专业的人员联系您。