
美彩国际应用领域
◆ 铁路系统 ◆ 铁路通信 ◆ 数据互换 ◆ 电力系统
产品性能
|
输入电压 Vdc |
2:1或4:1 |
|
遥控特性 |
遥控端接-Vin或低电平,禁止输出 |
|
遥控端悬空或接高电平,正常工作 |
|
|
遥控特性 |
遥控端接-Vin或低电平,正常工作 |
|
遥控端悬空或接高电平,禁止输出 |
|
|
输出电压精度 % |
±1 |
|
电压调节 %Vo |
±10 |
|
负载调整率 % |
±0.5 |
|
电压调整率 % |
±0.2 |
|
动态响应 |
±4%Vo/400us |
|
纹波/噪声(mV) |
Vo≤5Vdc:50 |
|
5Vdc<Vo≤24Vdc:150 |
|
|
Vo≥48Vdc:300 |
|
|
工作壳温 |
-40℃ - +100℃ |
|
开关频率KHz |
300 |
|
短路保护 |
长期短路自恢复 |
|
隔离耐压 |
输入-输出:1500Vdc(Vin:24Vdc) |
|
输入-输出:2250Vdc(Vin:110Vdc) |
|
|
输入-壳:1500Vdc(Vin:24Vdc) |
|
|
输入-壳:2250Vdc(Vin:110Vdc) |
|
|
输出-壳:500Vdc |
|
|
MTBF |
3×105 |
|
安规要求 |
GB 9254-2008 |
产品选型
|
型号 |
输入电压Vdc |
输出电压Vdc |
输出电流A |
效率% |
容性能力UF |
|
WDHT50-24S5 |
18-36 |
5.05 |
10 |
82 |
10000 |
|
WDHT50-24S12 |
12 |
4.2 |
85 |
1000 |
|
|
WDHT50-24S15 |
15 |
3.3 |
85 |
1000 |
|
|
WDHT50-24S24 |
24 |
2 |
87 |
470 |
|
|
WDHT50-24S48 |
48 |
1 |
86 |
470 |
|
|
WDHT50-110S5 |
66-160 |
5.05 |
10 |
83 |
10000 |
|
WDHT50-110S12 |
12 |
4.2 |
85 |
1000 |
|
|
WDHT50-110S15 |
15 |
3.3 |
85 |
1000 |
|
|
WDHT50-110S24 |
24 |
2 |
87 |
470 |
|
|
WDHT50-110S48 |
48 |
1 |
86 |
470 |
|
|
WDHT75-24S5 |
18-36 |
5.05 |
15 |
85 |
10000 |
|
WDHT75-24S12 |
18-36 |
12 |
6.25 |
87 |
2200 |
|
WDHT75-24S15 |
15 |
5 |
87 |
2200 |
|
|
WDHT75-24S24 |
24 |
3 |
88 |
1000 |
|
|
WDHT75-24S48 |
48 |
1.5 |
87 |
470 |
|
|
WDHT75-110S12 |
66-160 |
12 |
6.25 |
87 |
2200 |
|
WDHT75-110S15 |
15 |
5 |
87 |
2200 |
|
|
WDHT75-110S24 |
24 |
3 |
88 |
1000 |
|
|
WDHT75-110S48 |
48 |
1.5 |
87 |
470 |
|
|
WDHT100-24S5 |
18-36 |
5.05 |
20 |
85 |
10000 |
|
WDHT100-24S12 |
18-36 |
12 |
8.3 |
87 |
2200 |
|
WDHT100-24S15 |
15 |
6.6 |
87 |
2200 |
|
|
WDHT100-24S24 |
24 |
4.1 |
88 |
1000 |
|
|
WDHT100-24S48 |
48 |
2.1 |
87 |
470 |
|
|
WDHT100-110S12 |
66-160 |
12 |
8.3 |
87 |
2200 |
|
WDHT100-110S15 |
15 |
6.6 |
87 |
2200 |
|
|
WDHT100-110S24 |
24 |
4.1 |
88 |
1000 |
|
|
WDHT100-110S48 |
48 |
2.1 |
87 |
470 |
|
|
WDHT150-24S5 |
18-36 |
5.05 |
30 |
86 |
10000 |
|
WDHT150-24S12 |
18-36 |
12 |
12.5 |
88 |
2200 |
|
WDHT150-24S15 |
15 |
10 |
88 |
2200 |
|
|
WDHT150-24S24 |
24 |
6 |
89 |
1000 |
|
|
WDHT150-24S48 |
48 |
3 |
88 |
470 |
|
|
WDHT150-110S12 |
66-160 |
12 |
12.5 |
88 |
2200 |
|
WDHT150-110S15 |
15 |
10 |
88 |
2200 |
|
|
WDHT150-110S24 |
24 |
6 |
89 |
1000 |
|
|
WDHT150-110S48 |
48 |
3 |
88 |
470 |
注1:除特殊指定外,所有参数测试条件为:标称输入电压、纯阻性标称负载和25°C室温环境。
注2:此系列有两倍电压输入和四倍电压输入可选,尾缀加W表示宽压输入。
注3: 满足安规要求需要外围电路,详见产品单页说明书。


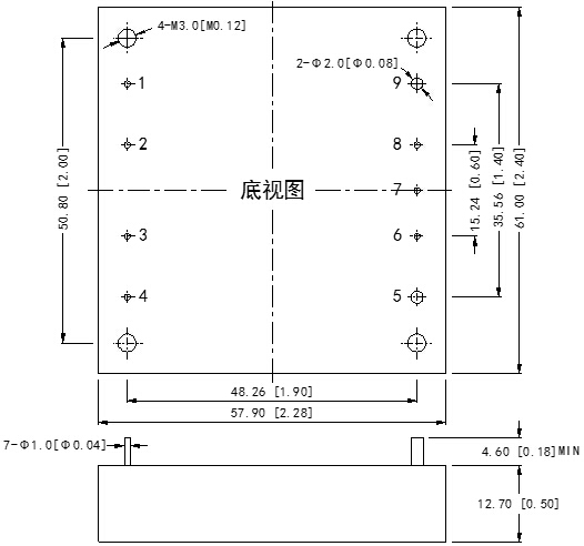
外形尺寸

管脚定义
|
管脚 |
功能 |
描述 |
|
1 |
-Vin |
输入负 |
|
2 |
CASE |
接壳端 |
|
3 |
CNT |
遥控端 |
|
4 |
+Vin |
输入正 |
|
5 |
+Vo |
输出正 |
|
6 |
+S |
正补偿 |
|
7 |
TRIM |
输出调节端 |
|
8 |
-S |
负补偿 |
|
9 |
-Vo |
输出负 |
北京稳固得设计制造AC/DC、DC/DC、DC/AC电源模块,模块化开关电源变换器,工程师拥有多年从事电力电子开发经验。模块电源产品在技术及品质上具备较强的竞争优势,广泛应用于邮电通信设备、基站及用户电源系统、监控系统、铁路信号、电力系统、医疗设备、仪器仪表、工业自动化控制及航空航天、军工等领域。 公司通过了ISO 9001-2008版国际质量体系认证以及GJ B军工质量体系认证。主流标准系列产品通过了CE、TUV、UL、CB、ROHS等测试认证。请拨打400-800-9005电话,我们将尽快安排专业的人员联系您。