美彩国际

AC-DC模块电源,DC-DC模块电源,军用电源,铁路专用电源
全国咨询热线:400-800-9005

新闻资讯

电源百科

开关电源波纹的产生、测量及抑制

来源:网络整理2021-04-26

  纹波的产生

  我们最终的目的是要把输出纹波降低到可以忍受的程度,达到这个目的最根本的解决方法就是要尽量避免纹波的产生,首先要清楚开关纹波的种类和产生原因。

 开关电源波纹的产生、测量及抑制

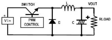
上图是开关电源中最简单的拓扑结构-buck降压型电源

  随着SWITCH的开关,L中的也是在输出电流的有效值上下波动的。所以在输出端也会出现一个与SWITCH同频率的纹波,一般所说的纹波就是指这个。它与输出的容量和ESR有关系。这个纹波的频率与开关电源相同,为几十到几百KHz。

  另外,SWITCH一般选用双极性晶体管或者,不管是哪种,在其导通和截止的时候,都会有一个上升时间和下降时间。这时候在中就会出现一个与SWITCH上升下降时间的频率相同或者奇数倍频的噪声,一般为几十MHz。同样二极管D在反向恢复瞬间,其等效电路为电容和电感的串联,会引起谐振,产生的噪声频率也为几十MHz。这两种噪声一般叫做高频噪声,幅值通常要比纹波大得多。

 开关电源波纹的产生、测量及抑制

  如果是AC/DC,除了上述两种纹波(噪声)以外,还有AC噪声,频率是输入AC电源的频率,为50~60Hz左右。还有一种共模噪声,是由于很多开关电源的功率器件使用外壳作为散热器,产生的等效电容导致的。

  开关电源纹波的测量

  基本要求:

  使用示波器AC耦合

  20MHz带宽限制

  拔掉探头的地线

  1,AC耦合是去掉叠加的直流电压,得到准确的波形。

美彩国际  2,打开20MHz带宽限制是防止高频噪声的干扰,防止测出错误的结果。因为高频成分幅值较大,测量的时候应除去。

  3,拔掉示波器探头的接地夹,使用接地环测量,是为了减少干扰。很多部门没有接地环,如果误差允许也直接用探头的接地夹测量。但在判断是否合格时要考虑这个因素。

  还有一点是要使用50Ω终端。横河示波器的资料上介绍说,50Ω模块是除去DC成分,精确测量AC成分。但是很少有示波器配这种专门的探头,大多数情况是使用标配100KΩ到10MΩ的探头测量,影响暂时不清楚。

  上面是测量开关纹波时基本的注意事项。如果示波器探头不是直接接触输出点,应该用双绞线,或者50Ω同轴电缆方式测量。

  在测量高频噪声时,使用示波器的全通带,一般为几百兆到GHz级别。其他与上述相同。可能不同的公司有不同的测试方法。归根到底第一要清楚自己的测试结果。第二要得到客户认可,

  关于示波器:

  有些数字示波器因为干扰和存储深度的原因,无法正确的测量出纹波。这时应更换示波器。这方面有时候虽然老的模拟示波器带宽只有几十兆,但表现要比数字示波器好。

  开关电源纹波的抑制

美彩国际  对于开关纹波,理论上和实际上都是一定存在的。 通常抑制或减少它的做法有三种:

  1,加大电感和输出电容滤波

  根据开关电源的公式,电感内电流波动大小和电感值成反比,输出纹波和输出电容值成反比。所以加大电感值和输出电容值可以减小纹波。

 开关电源波纹的产生、测量及抑制

  上图是开关电源电感L内的电流波形,其纹波电流△I可由下式算出:

  可以看出,增加L值,或者提高开关频率可以减小电感内的电流波动。

美彩国际  同样,输出纹波与输出电容的关系:vripple=Imax/(Co×f)。 可以看出,加大输出电容值可以减小纹波。

美彩国际  通常的做法,对于输出电容,使用铝电解电容以达到大容量的目的。但是电解电容在抑制高频噪声方面效果不是很好,而且ESR也比较大,所以会在它旁边并联一个陶瓷电容,来弥补铝电解电容的不足。

天天中彩票-Welcome首页 500505百万文字论坛综合资料-500308百万文字论坛-780790百万文字论坛红字-798790百万文字论坛下载-500505百万文字论坛雷锋版 乐发vll500 乐盈VI E乐彩-首页 佰富彩-安全购彩 旭彩网 - welcome 98彩票|官方网站