
新闻资讯
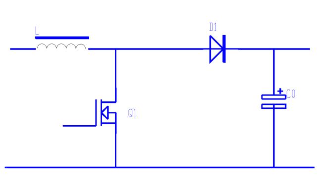
输入输出电压关系
开关管电流
开关管电压
二极管电流
二极管反向电压
BOOST电路

输入输出电压关系
开关管电流
开关管电压
二极管电流
二极管反向电压
BUCK BOOST电路

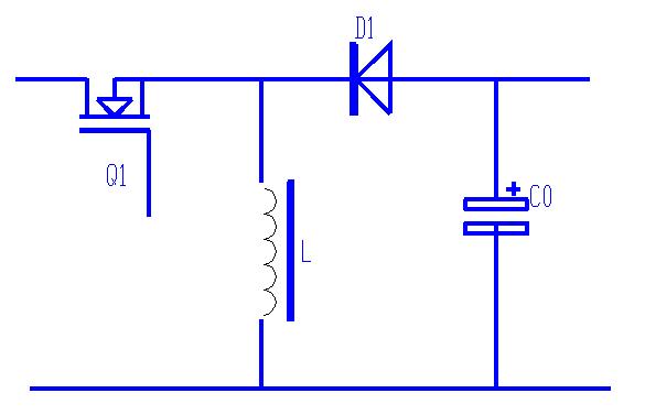
输入输出电压关系
开关管电流

开关管电压
二极管电流
二极管反向电压
SEPIC电路

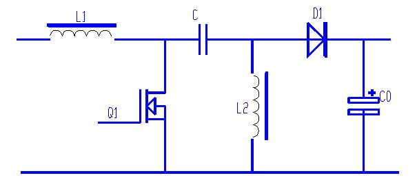
输入输出电压关系
开关管电流
开关管电压
二极管电流
二极管反向电压
FLYBACK电路

输入输出电压关系
开关管电流
开关管电压
二极管电流
二极管反向电压
FORWARD电路

输入输出电压关系
开关管电流
开关管电压
二极管电流
二极管反向电压
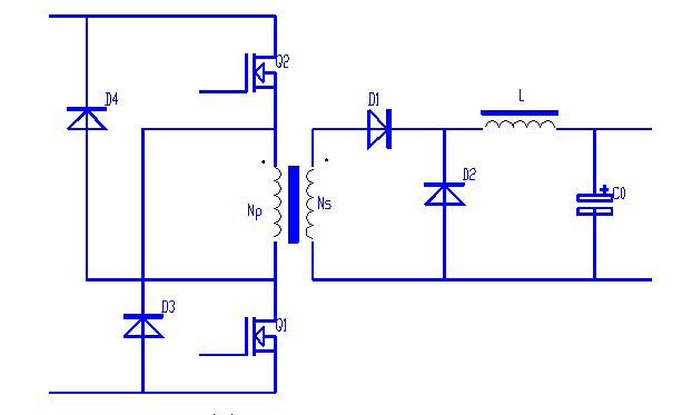
2 SWITCH FORWARD电路

输入输出电压关系
开关管电流
开关管电压
二极管电流
二极管反向电压
ACTIVE CLAMP FORWARD电路

输入输出电压关系
开关管电流
开关管电压
二极管电流
二极管反向电压
HALF BRIDGE电路

输入输出电压关系
开关管电流
开关管电压
二极管电流
二极管反向电压
PUSH PULL电路

输入输出电压关系
开关管电流

开关管电压
二极管电流
二极管反向电压
FULL BRIDGE电路

输入输出电压关系
开关管电流
开关管电压
二极管电流
二极管反向电压
PHASE SHIFT ZVT

输入输出电压关系
开关管电流
开关管电压
二极管电流
二极管反向电压