
新闻资讯对于常用的电源拓扑而言,非隔离电源主要有:Buck、Boost、Buck-Boost等;而隔离电源主要有各种带隔离变压器的反激、正激、半桥、LLC等拓扑。
美彩国际 结合常用的隔离与非隔离电源,我们从直观上就可得出它们的一些优缺点,如表1和表2所示,两者的优缺点几乎是相反的。


美彩国际 对于上述的优缺点,大部分我们都很好理解,由于电源发生异常后,电源隔离与否对负载的危害大小,我们以Buck和它对应的隔离电路即正激电路来简单分析,如下列图示。

图3 Buck电路

图4 Buck开关管击穿后的电能量走向

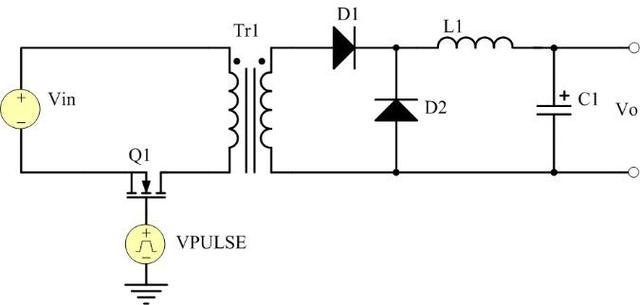
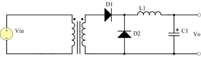
图5 正激电路

图6 正激电路的开关管击穿后示意图
美彩国际 由图3和图4可知,对于Buck电路而言,若开关管击穿短路,由于没隔离,输入端较高的电压,直接通过电感作用在负载端,负载很可能因为过压烧毁。
由图5和图6可知,对于正激电路而言,同样开关管击穿短路,对负载而言,只是失去了供电的电源而断电,不会对负载本身造成其它影响。